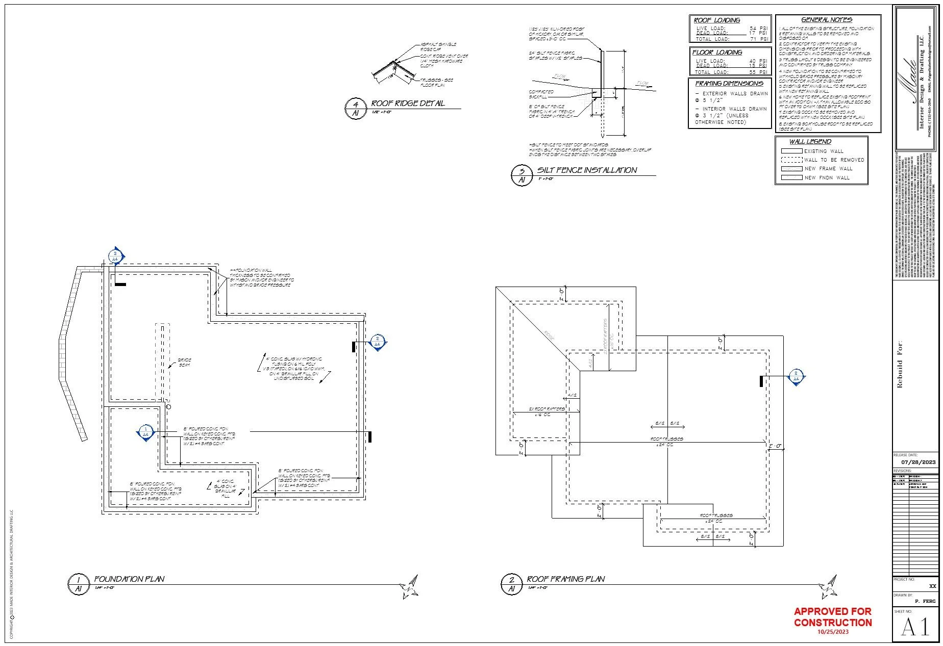
Manitowish Waters - Complete Cabin Remodel

A small cabin in the Northwoods that you can escape to is certainly something magical to have! Over time, cabins age as they have been passed down for generations. Eventually, a redesign becomes a necessity. For this project, we were faced with setbacks including what we were allotted as far as expansion. Remodeling upwards solves many problems when the footprint can not be stretched. For this design, we enjoyed playing with a more modern twist and incorporated a beautiful and unique roof design. All of the Architectural Drafting and Design for this home was carefully developed with function and aesthetics in mind!

All dimensions & project location information have been hidden to keep this design custom and specific to our clients.

Previous
Previous

Park Falls - New Construction Home

Next
Next

Manitowish Waters - New Construction Project